Ongsiek Haustechnik
Bünder Str. 17
33613 Bielefeld
Tel.: 0521 893041
ongsiek.haustechnik@t-online.de
Hier werde ich einige kleine
Projekte veröffentlichen, allerdings nur als Anregung aus
Zeitgründen können keine Nachbauanleitungen erstellt werden. Es
dient nur dazu zu zeigen es geht. Diese Projekte können auch
privater Herkunft sein. |
|

Der kleine Schaltplan wurde so gezeichnet, dass die Schaltzeichen zueinander so positioniert wurden, dass es ein Abbild der realen Platine wurde.
Hier sieht man ICs - EPROM's, der C1702 - welche mit am Anfang der digitalen Revolution stehen.
Links und in der Mitte der erste Langzeitspeicher welchen man elektrisch beschreiben (brennen) konnte. Durch das Fenster aus Quarzglas, welches uns einen Blick auf den Chip offenlegt, konnte der beschriebene Speicherchip mit Hilfe von UV Licht wieder gelöscht werden.
Das ganze in einem edlen Gehäuse aus Keramik, mit vergoldeten Kontakten mit einer Speicherkapazität 256 Zeilen a. 8 Bit für damalige Verhältnisse (ca. 1975) eine Revolution, heute ein Witz.
Rechts sieht man den Nachfolger, den 2716, so um 1979 welcher aus Kostengründen sein edles Outfit einbüßte aber durch eine Speicherleistung von 2 K überzeugte, kurz darauf ca.1980 folgte der 2732.

_prot-WEB.jpg)

Hier sieht man meine ersten Ergebnisse.
Aufgabe war ein RC Servo (Modellbauservo) über einen Mc (Microcontroller) zu steuern.
Sinn der Sache ist es, leichte mechanische Verstellarbeiten, winkelgenau, mit ausreichend guter Wiederholbarkeit, preiswert, auszuführen.
Die Wahl viel auf einen Mc, da von der Anwendung noch ein Minimum an eigenen Entscheidungen gefordert ist. Der Mc wir ohne Quarz betrieben, da die Anwendung mit einem absoluten Minimum an Bauteilen auskommen soll.
Der jetzt verwandte Mc ist für diese Aufgabe absolut überdimensioniert, in der später eingesetzten fertigen Applikation wird nach jetzigem Kenntnisstand wohl ein ATtiny13 max. 45 eingesetzt.
Wenn es jemanden interessieren sollte: Modellbauservos werden über PPM = Puls Position Modulation angesteuert.
Der Grundtakt liegt bei 20 ms, funktioniert wohl bei allen Typen, so mir bekannt ist.
Links 1ms Impuls mittlere Stellung 1,5ms Impuls rechts 2ms Impuls
Das hier verbaute Servo: Typ ANSMANN RACING Drehmoment max. 3 KG/cm, Kunststoffzahnräder, interner mechanischer Anschlag kann entfernt werden, wenn nötig.
Auf dem Video sieht man das max. verlangsamte Servo, wenn man es nochlangsamer laufen lässt, ist kein gleichmäßiger Rundlauf mehr gegeben, es stottert so dann, noch langsamer geht nur noch durch interne Eingriffe und eine zusätzliche PWM für den Motor, oder halt mechanisch mit den bekannten Nachteilen.
Das Video 8,51 MB, Laufzeit 00:01:02, Format WMV
Dieses Tool, Video darf ausschließlich für
legale Zwecke verwand werden, so diese auch im moralischen Sinne
unbedenklich sind. . |
Erst war die Idee, dann die grobe Zielplanung, früher kam dann sehr viel Rechenarbeit, dann der praktische Test, mit vielen Realen, Versuch und Fehler-Ansätzen, welche manches Bauteil (manchmal mit Rauchwölkchen) ins Jenseits beförderten, was bei teuren oder schwer beschaffbaren Teilen besonders ärgerlich ist. Heute hilft man sich mit Simulation, nun gut, der praktische Test, mit den dann folgenden Überarbeitungen ist immer noch notwendig, aber bis dahin wurde jede Menge Arbeit gespart. Wenn Sie den Download betätigen erwartet Sie kleines Video (Bildschirm mitschnitt) zu sehen ist, wie ein Trägersignal mit einem Nutzsignal per Amplitudenmodulation moduliert wird. Die Herausforderung war (ist), dieses mit preiswerten Standardbauteilen zu bewerkstelligen, um (wenn überhaupt) eine spätere Nutzung wirtschaftlich zu gestalten. Zu sehen ist, auf dem simulierten Oszilloskop-Bildschirm oben, unterschiedliche Trägersignale unten unterschiedliche Nutzsignale. Die Datei ist 57,6 MB groß und im GIF Format, um Platz zusparen und Ladezeiten zu minimieren (AVI entspricht 736 MB, eine WMV ca. 99,5 MB), Laufzeit ca. 2 Minuten. |
Hier sehen Sie ein Bild eines Ansatzes, zur Entwicklung einer Kompaktsteuerung, welche für einige immer wieder vorkommende Problematiken eingesetzt werden kann.
Es muss nur das entsprechende Programm in den Mikrokontroller geladen werden denn die Bauteile bleiben die gleichen, nur einige Sensoren und die Beschriftung der Frontplatte ist auf die entsprechende Aufgabe abzustimmen.
Leider ist auch diese Entwicklung aus Zeitgründen ins Stocken geraten, schauen wir mal, wann es weitergeht.
Sollten Sie sich mit dem Gedanken tragen, in die Welt der Mikrocontroller einsteigen zu wollen, kann ich AVR Controller von Atmel empfehlen, gängige Reihen wären z.Z. ATiny und Atmega welche, mit Basic und auch mit C zu programmieren sind. Es muss nicht unbedingt Maschinensprache sein.
In letzter Zeit hat sich die Literatur (in deutscher Sprache) sehr vorteilhaft weiterentwickelt. Von Franzis werden Experimentier - Kästen angeboten, Super, so was hätte ich am Anfang auch gern gehabt.

Auf dem Bild ist zu sehen:
Hinten ein Entwicklungsboard von (MyAVR), gefolgt von einer Adapterplatine (Eigenbau auf Lochraster), vorn ein LCD Display.
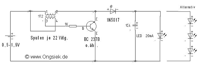
Ein Fachartikel, zu der Problematik, weiße LEDs in einer Handleuchte zu betreiben, motivierte mich zu dieser kleinen Bastelei.
Kurz erläutert, eine weiße LED benötigt ca. 3,4 V zum Leuchten (nicht funzeln) sondern richtig leuchten aber eine Batterie hat ca. 1,5 V das heißt dann wohl min. 2 Batterien in Reihenschaltung ergibt 2 x 1,5 V = 3 V, wird wohl leuchten.
Das ist aber alles nicht so das Wahre.....
Ein wenig denken, ein wenig Google, ein wenig...... Material ......und noch etwas löten,
und siehe da, ......
So jetzt leuchten 3 LEDs in Reihe = 3,4 V * 3 = 10,2 Volt gespeist von "verbrauchten Batterien" meist so zwischen 1 V - 1,2 V
Auf dem Bild zusehen ist eine Mono - Zelle.
_WEB_prot.jpg)
Die Anschlüsse an der Batterie wurden mit Nedym-Magenten hergestellt, ebenso die Platinenbefestigung, ein Streifen Papier isoliert die Platine und insbesonder die Rückseitigen Lötstellen gegen den Metallmantel der Batterie.
Material
1 Transistor BC 237 B, 1 Diode, 1 Widerstand, 1 Elko und halt 3 weiße LEDs und ein Platinenrest
1 Mikrotrafo (selbst gewickelt).
Der Ringkern des Mikrotrafos besteht aus 1ner Ferrit Entstörperle und etwas Kupferlackdraht von einer alten Relaisspule, wenn es jemanden interessieren sollte,
2 Spulen a 22 Windungen mehr passten leider nicht durch die Bohrung.
Das scheint die abgespeckteste Version einer Vampirschaltung zu sein, welche mir bekannt ist, sie arbeitet je nach Last und Batterie so mit ca. 75 % Wirkungsgrad.
Das alles finde ich schon interessant, denn die Schaltung ist überhaupt noch nicht optimiert.
Wenn man noch bedenkt, das die verwandten Bauteile aus der Kramelkiste stammen, der Transistor wird schon seit X ? Jahren nicht mehr neu gefertigt.
Im Dauerprobebetrieb hat der Vampir schon an die 10 Batterien,
(Ausgemusterte welche sonst in den Sammelbehälter gewandert wären),
fast komplett leer gesaugt, die Schaltung arbeitet bis 0,5 V Batteriespannung, absolut zuverlässig.

Die sogenannte Vampirschaltung ist natürlich ein Step-Up-DC/DC Wandler,
Step-Up-DC/DC Wandler sind aufwärts Wandler für Gleichspannung.
Das ist vielleicht ein kleines Anfänger-Projekt in der Ausbildung, Schule o ähnl. hierbei kommt man mit fast allen wesentlichen Bausteinen der Elektronik in Berührung.
Spannungsquelle, Induktivität. Widerstand, Transistor, Diode, Kondensator, LED man kann auch noch etwas über Schwingungen, und... und... und lernen.

Ein weiterer Lerneffekt könnte wohl auch noch hinzukommen, das man in der BRD noch praktische in der Lage sein könnte, um auch ohne chinesische Hilfe, ein paar Elektronikteile funktionsfähig zusammen zu bringen.
Da der Kostenaufwand so winzig ist, sollten es auch noch so gebeutelte Budgets hergeben, so man kreativ ist und sich den Draht für die Spule nicht in einer „Elektronik Apotheke“ kauft, sondern irgend ein Relais aus einem Schrottgerät entnimmt um mit der Spule den Draht für 10.000 dieser Trafos zu besitzen und so weiter und sofort, es gibt so viele Wege Kreativität zu vermitteln und just diese sind fast immer so gut wie umsonst, kreativ halt.

Gemessen Trafo Pin2 gegen Masse.

Es sind nicht nur Bauteile,
Drähte und sonstiger Kramel welcher zu einem Ganzen gefügt werden
will. Es ist viel mehr zu beachten, hier halt die
Bauteiltoleranzen, welche hier bei 0°C ausgemessen werden, an den
Toleranzen kann ich nichts ändern, nur bei der Schaltungsauslegung
kann man diese kompensieren. |
|

Diese Kleinbohrmaschine wurde aus Teilen welche als Rest oder Überbleibsel zur Verfügung standen gebaut, die einzigen Zukaufteile sind der Bohrständer und das Bohrfutter, Näheres im Nachspann.
Das Video im MP4 Format hat ein
Volumen von 59 Mbyte, bei einer Laufzeit ca. 5 Min.
Video
starten .....Sorry,...das
Video ist im Moment nicht verfügbar, da diverse Änderungen an der
Seite vorgenommen werden müssen, aber im Moment keine Zeit hierfür
zur Verfügung steht.
.
Der Artikel steht im Bereich Elektro/Klingelplatteninstandsetzung wenn Sie mögen
Der Artikelname lautet
Ledbeleuchtung über eine Konstantstromquelle zum selbst basteln.
Bei Interesse Klicken Sie hier
